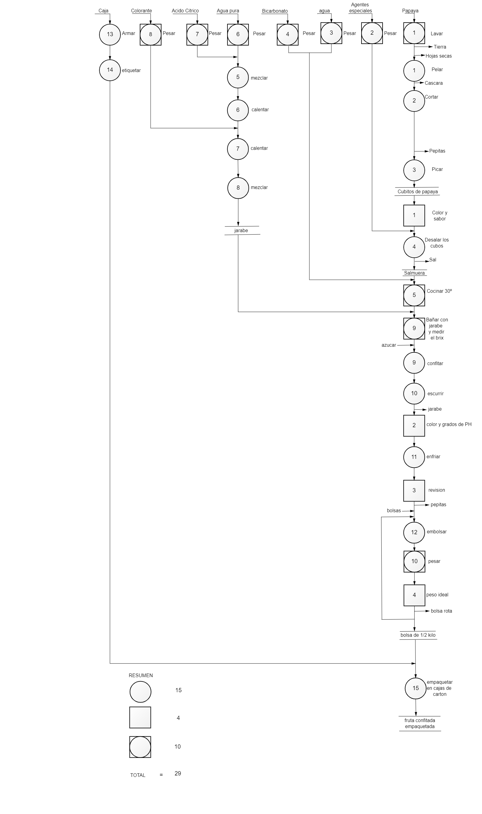
ejercicio 1

Public