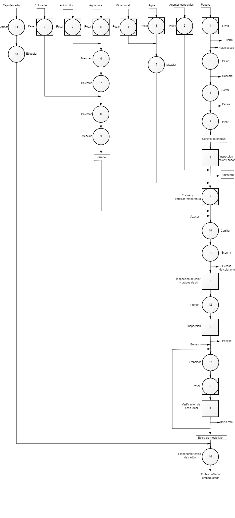
Ejercicio 1

Public